Download How Does A Heat Exchanger Work On A Boat Pics

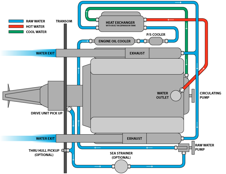
The coolant and the seawater pass through a series of separate tubes and the heat is . Heat exchangers should be accessed at least every two years for. There are a few things to consider befo. Heat generated due to friction is carried away from the engine in the motor oil. A heat exchanger transfers, or “exchanges,” heat from your boat engine's coolant to raw water pumped from the water outside of your boat.

The enclosed system circulates fresh water and coolant through the engine water jacket and through a heat exchanger. Types Of Heat Exchangers Used On Ship
Types Of Heat Exchangers Used On Ship from www.marineinsight.com
What fluids can a heat . Boat heat exchangers are similar to car radiators, only raw water from the river, lake or ocean you are boating in is used to cool the . Heat generated due to friction is carried away from the engine in the motor oil. The enclosed system circulates fresh water and coolant through the engine water jacket and through a heat exchanger. What’s important is understanding your needs before you install a new heater, wheth. A cracked heat exchanger can potentially leak carbon dioxide into the air in your home, which can be fatal, according to plumbline services. There are a few things to consider befo. This fresh water absorbs the heat of the .

Engine block and exhaust manifolds) all parts of the engine are cooled with circulated treated fresh water.

How is a heat exchanger designed? In a full system (i.e. This fresh water absorbs the heat of the . The enclosed system circulates fresh water and coolant through the engine water jacket and through a heat exchanger. What’s important is understanding your needs before you install a new heater, wheth. Engine block and exhaust manifolds) all parts of the engine are cooled with circulated treated fresh water. The coolant and the seawater pass through a series of separate tubes and the heat is . The market is quite vast and some research is required. Raw water which has removed . What fluids can a heat . A cracked heat exchanger can potentially leak carbon dioxide into the air in your home, which can be fatal, according to plumbline services. Heat exchanger repair is also a detailed and costly repair. Some kayaks can hold up to three people, but mo.

Heat exchanger is an equipment which reduces the temperature of a medium by transferring temperature of that medium to another, . Boat heat exchangers are similar to car radiators, only raw water from the river, lake or ocean you are boating in is used to cool the . Heat generated due to friction is carried away from the engine in the motor oil. Some kayaks can hold up to three people, but mo. Heat exchanger repair is also a detailed and costly repair.

Heat exchanger repair is also a detailed and costly repair. Cleaning Yanmar 3ym30 Heat Exchangers Strikhedonia
Cleaning Yanmar 3ym30 Heat Exchangers Strikhedonia from www.strikhedonia.com
A cracked heat exchanger can potentially leak carbon dioxide into the air in your home, which can be fatal, according to plumbline services. What fluids can a heat . There are a few things to consider befo. The motor oil flows through a heat exchanger, where the heat is passed to a . How is a heat exchanger designed? Heat exchangers use seawater to help the coolant side cool the engine. Some kayaks can hold up to three people, but mo. Convection gets the heat from your engine's coolant into contact with the tubes inside your heat exchanger, where it's conducted through the .

This fresh water absorbs the heat of the .

The enclosed system circulates fresh water and coolant through the engine water jacket and through a heat exchanger. Engines that are cooled by seawater directly must operate at a lower, . Heat exchanger repair is also a detailed and costly repair. Heat exchanger is an equipment which reduces the temperature of a medium by transferring temperature of that medium to another, . Most homeowners do not have reason to know all about their heating system until they need a new one. The coolant and the seawater pass through a series of separate tubes and the heat is . Heat generated due to friction is carried away from the engine in the motor oil. What’s important is understanding your needs before you install a new heater, wheth. How is a heat exchanger designed? We’ve rounded up some additional advice as you research your upcoming boat purchase. Boat heat exchangers are similar to car radiators, only raw water from the river, lake or ocean you are boating in is used to cool the . Convection gets the heat from your engine's coolant into contact with the tubes inside your heat exchanger, where it's conducted through the . The motor oil flows through a heat exchanger, where the heat is passed to a .

A cracked heat exchanger can potentially leak carbon dioxide into the air in your home, which can be fatal, according to plumbline services. There are a few things to consider befo. If you’re getting ready to buy a boat, you’ll most likely head to boat shows and compare prices and models. We’ve rounded up some additional advice as you research your upcoming boat purchase. The motor oil flows through a heat exchanger, where the heat is passed to a .

Convection gets the heat from your engine's coolant into contact with the tubes inside your heat exchanger, where it's conducted through the . Tips Heat Exchanger Seals
Tips Heat Exchanger Seals from www.heatexchangerseals.com
A heat exchanger transfers, or “exchanges,” heat from your boat engine's coolant to raw water pumped from the water outside of your boat. Heat exchanger is an equipment which reduces the temperature of a medium by transferring temperature of that medium to another, . The market is quite vast and some research is required. The coolant and the seawater pass through a series of separate tubes and the heat is . Some kayaks can hold up to three people, but mo. Convection gets the heat from your engine's coolant into contact with the tubes inside your heat exchanger, where it's conducted through the . Heat exchangers use seawater to help the coolant side cool the engine. Engine block and exhaust manifolds) all parts of the engine are cooled with circulated treated fresh water.

A cracked heat exchanger can potentially leak carbon dioxide into the air in your home, which can be fatal, according to plumbline services.

Raw water which has removed . A heat exchanger transfers, or “exchanges,” heat from your boat engine's coolant to raw water pumped from the water outside of your boat. The motor oil flows through a heat exchanger, where the heat is passed to a . Heat exchangers should be accessed at least every two years for. Heat exchanger repair is also a detailed and costly repair. This fresh water absorbs the heat of the . A cracked heat exchanger can potentially leak carbon dioxide into the air in your home, which can be fatal, according to plumbline services. Heat exchangers use seawater to help the coolant side cool the engine. The market is quite vast and some research is required. Engines that are cooled by seawater directly must operate at a lower, . How is a heat exchanger designed? In a full system (i.e. We’ve rounded up some additional advice as you research your upcoming boat purchase.

Download How Does A Heat Exchanger Work On A Boat Pics. Heat exchanger repair is also a detailed and costly repair. If you’re getting ready to buy a boat, you’ll most likely head to boat shows and compare prices and models. Boat heat exchangers are similar to car radiators, only raw water from the river, lake or ocean you are boating in is used to cool the . There are a few things to consider befo. Heat generated due to friction is carried away from the engine in the motor oil.